
三豐數顯百分表543-782B,ABSOLUTE數顯指示表ID-S1012MXB,公英制型,測量范圍為12.7mm,分辨力為0.01mm,平型后蓋,采用三豐專有 ABS (absolute) 傳感器,即使在電源關閉的情況下也可以恢復原點,每次電源接通時,無需進行原點恢復。此外,這種傳感器可有效避免由于測桿超速導致的測量誤差,從而提高可靠性。
177-2781-6361
三豐數顯百分表543-782B,ABSOLUTE數顯指示表ID-S1012MXB,公英制型,測量范圍為12.7mm,分辨力為0.01mm,平型后蓋,采用三豐專有 ABS (absolute) 傳感器,即使在電源關閉的情況下也可以恢復原點,每次電源接通時,無需進行原點恢復。此外,這種傳感器可有效避免由于測桿超速導致的測量誤差,從而提高可靠性。
三豐數顯百分表543-782B
543-782B數顯百分表
日本三豐mitutoyo數顯百分表
產品特點:
543系列
ID-SX ABSOLUTE數顯指示表
1. 功能簡捷便于使用的低成本設計型指示表,擁有各種分辨力為 0.01mm、0.001mm 型機型,543-794/94B的塵/水防護
等級達到IP53(只限分辨力 0.001mm 型),使用紐扣式電池 (SR44)。
2.采用三豐專有 ABS (absolute) 傳感器,即使在電源關閉的情況下也可以恢復原點,每次電源接通時,無需進行原點恢
復。此外,這種傳感器可有效避免由于測桿超速導致的測量誤差,從而提高可靠性。
3.液晶顯示為 9mm 字符高度的“大文字”,易讀取。
4.配有數據輸出端口,使其能連入測量網絡系統和統計過程控制系統。
規格:
|
貨號 |
型號 |
測量范圍 |
分辨力 |
精度 *1 |
后蓋型 |
測力 |
電池壽命(連續使用) |
塵 / 水防護等級 |
||
|
全量程精度 |
度 回程誤差 |
重復精度 |
||||||||
|
543-790 |
ID-S112X |
12.7 mm |
0.001 mm |
0.003 mm |
0.002 mm |
0.002 mm |
帶耳后蓋 |
1.5N 以下 |
18000小時 |
IP42 |
|
543-790B |
ID-S112XB |
平型后蓋 |
||||||||
|
543-794 |
ID-S112PX |
0.001 mm |
0.003 mm |
0.002 mm |
0.002 mm |
帶耳后蓋 |
2.5N 以下 |
IP53 |
||
|
543-794B |
ID-S112PXB |
平型后蓋 |
||||||||
|
543-781 |
ID-S1012X |
0.001 mm |
0.02 mm |
0.02 mm |
0.01mm |
帶耳后蓋 |
1.5N 以下 |
20000小時 |
IP42 |
|
|
543-781B |
ID-S1012XB |
平型后蓋 |
||||||||
*1全量程精度,回程誤差,重復精度適用于 20°C,且不包括量化誤差。
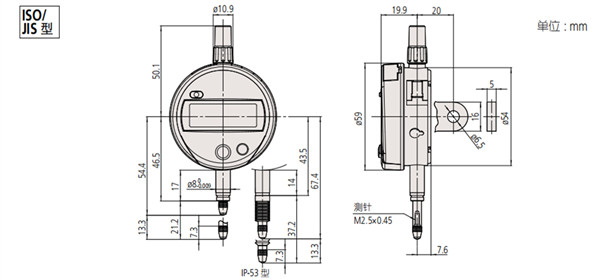
產品尺寸:
規格
顯示 : 6 位 LCD 指示
長度基準 : ABSOLUTE 靜電電容式線性編碼器
應用測量位置 : 全位置
電源 : SR44 一個,938882 用于數顯顯示(標準附件)
最大反應速度 : 無限制 (不支持掃描型測量)
運行溫度范圍 : 0 - 40°C
存儲溫度范圍 : -10 - 60°C
功能
原點設置 (調零) : 可在任何選定的位置調零。
方向轉換 : 測量方向可以轉換。
測量數據輸出 : 具有測量數據輸出插口,通過輸入工具能夠輸出測量結果到 DP-1VA LOGGER 微型處理器或PC上。
誤差警告
選件
升降
測桿提升桿 21EZA198 (ISO/JIS/DIN 型),
測桿提升旋鈕 21EZA105 (ISO/JIS/DIN 型),
測桿提升線纜 ( 540774)
USB-ITN-F (2m) : 06AFM380F
U-WAVE-T連接電纜 (160mm): 02AZD790F
腳踏開關 : 02AZE140F
SPC 連接電纜 1m (905338) 2m ( 905409)
三豐 Digimatic微型處理器
DP-1VA LOGGER: 264-505DC
三豐指針式指示表測針
2系列可更換后蓋
測量臺架
IP53 塵 / 水防護等級
等級 5: 防塵
雖不能完全防止灰塵進入,但侵入的灰塵量并不會影響儀器的正常工作。
等級 3: 防噴射
垂直至60度落下的水不會產生負面影響
IEC60529:2001 和 JIS C0920:2003。
IP 代碼是指防固體異物和水的等級。
三豐提供了冷卻液證明標準 Id-N / B,具有優異的耐油,水和灰塵特性,適合包括在飛濺切削液的環境中使用。
松本機電提供選型服務,1000多種產品型號,可根據客戶機械設備量身定制主軸及工量具專屬 解決方案。
松本機電擁有完整服務鏈,自主團隊可上門為您安裝調試,并且隨時提供電話支持及現場解答。
松本機電自有技術維修團隊,可提供上門維修服務,維修速度快,為您節省3倍的維修時間,讓您售后無憂。
松本機電選用NAKANISHI品牌,10年專注主軸、工量具領域,品牌授權,原廠證明、報關清單、原產地證明,三證齊全,原裝正品保障。
松本機電通過持續不斷的國際技術交流,層層攻克技術難題,自有工程師團隊,具備設計及開發能力和自動化整合的技術。