
日本西鐵城CITIZEN界限量表2S-200,易讀數的大刻度盤,實惠的價格,信號指示量表是指指針式量表與電氣接點的組合,可以在測定狀態中傳送3段或5段的區別信號。
177-2781-6361
日本西鐵城CITIZEN界限量表2S-200,易讀數的大刻度盤,實惠的價格,信號指示量表是指指針式量表與電氣接點的組合,可以在測定狀態中傳送3段或5段的區別信號。不僅被廣泛使用在鐘表生產線,也常備應用在汽車引擎,軸承等生產線上,發揮著自動化檢查與選別的威力。
2S-200界限量表
日本西鐵城CITIZEN界限量表2S-200
日本西鐵城CITIZEN界限量表
產品特點:
1.易讀數的大刻度盤;
2.實惠的價格;
3.信號指示量表是指指針式量表與電氣接點的組合,可以在測定狀態中傳送3段或5段的區別信號;
4.不僅被廣泛使用在鐘表生產線,也常備應用在汽車引擎,軸承等生產線上,發揮著自動化檢查與選別的威力。
產品規格:
|
模型 |
2S-100 |
2S-200 |
2S-010 |
2S-010FIIS |
|||||
|
精度 |
1μm |
2μm |
10μm |
20μm |
|||||
|
范圍 |
精度±0.05mm |
為±0.1mm |
±0.6毫米 |
±0.5 |
|||||
|
準確性 |
±1μm |
±1.5μm |
±5μm |
±15μm |
|||||
|
測力 |
1.18N |
0.78N |
|||||||
|
最大行程 |
2.8毫米 |
||||||||
|
電壓 |
DC 24 V毫安 |
||||||||
|
標準 |
測針1 |
F-001 |
|||||||
|
附件 |
測針2 |
平背(F-M101) |
|||||||
|
|
電纜 |
3SMA-0061-1.5(1.5米) |
|||||||
|
選項 |
提升桿 |
M-140 |
|||||||
|
可選電纜 |
長度 |
3米 |
5米 |
10M(訂貨生產) |
|||||
|
模型 |
3SMA-0061-3 |
3SMA-0061-5 |
3SMA-0061-10 |
||||||
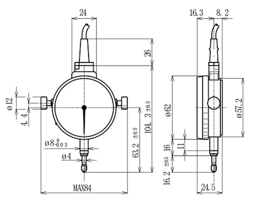
產品尺寸圖:
松本機電提供選型服務,1000多種產品型號,可根據客戶機械設備量身定制主軸及工量具專屬 解決方案。
松本機電擁有完整服務鏈,自主團隊可上門為您安裝調試,并且隨時提供電話支持及現場解答。
松本機電自有技術維修團隊,可提供上門維修服務,維修速度快,為您節省3倍的維修時間,讓您售后無憂。
松本機電選用NAKANISHI品牌,10年專注主軸、工量具領域,品牌授權,原廠證明、報關清單、原產地證明,三證齊全,原裝正品保障。
松本機電通過持續不斷的國際技術交流,層層攻克技術難題,自有工程師團隊,具備設計及開發能力和自動化整合的技術。