
日本三豐Mitutoyo指針式百分表1911T-10,1系列指針式指示表型便攜式小表盤,表盤為直徑31或36mm的便攜式指示表適合在測量夾具內的有限空間內使用,精度高、耐用性強,適合于在工廠等。
177-2781-6361
日本三豐Mitutoyo指針式百分表1911T-10,1系列指針式指示表型便攜式小表盤,表盤為直徑31或36mm的便攜式指示表適合在測量夾具內的有限空間內使用,精度高、耐用性強,適合于在工廠等。
日本三豐Mitutoyo指針式百分表1911T-10
1911T-10指針式百分表
日本三豐Mitutoyo指針式百分表
產品特點:
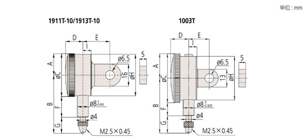
表盤為直徑31或36mm的便攜式指示表適合在測量夾具內的有限空間內使用。
產品參數:
|
貨號 |
A |
B |
C |
D |
E |
F |
G |
H |
I |
本金重量(g) |
|
|
帶耳后蓋 |
平型后蓋 |
||||||||||
|
1911T-10 |
15.5 |
42 |
31 |
12.9 |
19.2 |
15 |
11.5 |
30 |
5.9 |
56 |
52 |
|
1913T-10 |
15.5 |
39.5 |
31 |
12.9 |
19.2 |
15 |
9 |
30 |
5.9 |
56 |
52 |
|
1003T |
18 |
40.3 |
36 |
13 |
15 |
9.5 |
12.8 |
32 |
6 |
61 |
58 |
注釋:
1.不能安裝限值爪、鎖緊裝置和側桿提升桿。
2.止點擋板的作用的測針(標配),可以防止側桿超程時導致的指示表損壞。因此選擇小于7mm的測針時,需要使用墊圈(外徑至少為直徑7mm,內徑直徑為3mm,厚度約為0.5mm)安裝在測針和側桿之間。
產品尺寸圖:
|
貨號 |
分度值 |
測量范圍(測量范圍/每圈行程) |
指示誤差 |
重復精度 |
表盤讀數值 |
測力 |
||||
|
帶耳后蓋 |
平型后蓋 |
全量程 |
返回 |
1/10圈行程 |
1圈行程 |
|||||
|
1911T-10 |
1911TB-10 |
0.01mm |
2.5mm(1mm) |
12μm |
4μm |
8μm |
10μm |
3μm |
0-50-0 |
1.8以下 |
|
1913T-10 |
1913TB-10 |
0.002mm |
0.5mm(0.2mm) |
6μm |
2.5μm |
2.5μm |
5μm |
1μm |
0-100-0 |
1.8以下 |
|
1003T |
1003TB |
0.01mm |
4mm(1mm) |
13μm |
4μm |
8μm |
11μm |
3μm |
0-50-0 |
1.4N以下 |
松本機電提供選型服務,1000多種產品型號,可根據客戶機械設備量身定制主軸及工量具專屬 解決方案。
松本機電擁有完整服務鏈,自主團隊可上門為您安裝調試,并且隨時提供電話支持及現場解答。
松本機電自有技術維修團隊,可提供上門維修服務,維修速度快,為您節省3倍的維修時間,讓您售后無憂。
松本機電選用NAKANISHI品牌,10年專注主軸、工量具領域,品牌授權,原廠證明、報關清單、原產地證明,三證齊全,原裝正品保障。
松本機電通過持續不斷的國際技術交流,層層攻克技術難題,自有工程師團隊,具備設計及開發能力和自動化整合的技術。