
日本三豐指針式百分表2929S-60,2系列標準單轉型、無誤度、防水型,防震機構,對于因沖擊造成的測桿突然縮回而引起的震動,具有良好的耐沖擊性,該系列已消除了因指針轉速的計算錯誤而導致的讀數誤差,指針單轉有效避免了多轉導致誤讀的可能。
177-2781-6361
日本三豐指針式百分表2929S-60,2系列標準單轉型、無誤度、防水型,防震機構,對于因沖擊造成的測桿突然縮回而引起的震動,具有良好的耐沖擊性,該系列已消除了因指針轉速的計算錯誤而導致的讀數誤差,指針單轉有效避免了多轉導致誤讀的可能。
日本三豐指針式百分表2929S-60
2929S-60指針式百分表
日本三豐Mitutoyo指針式百分表
產品特點:
1.防震機構,對于因沖擊造成的測桿突然縮回而引起的震動,具有良好的耐沖擊性;
2.該系列已消除了因指針轉速的計算錯誤而導致的讀數誤差;
3.所有型號都有限值爪和鎖緊裝置;
4.鎖緊裝置和測桿提升桿(選件)可裝在左側或右側,這些零件可輕易組裝而不需要借助工具;
5.高強度淬火不銹鋼心軸,適于高強度測量;
6.表蒙采用加硬圖層具有良好的高度防劃和耐化學腐蝕性能;
7.紅色的區域表示“精度無法保證”。
產品參數:
|
貨號 |
A |
B |
C |
D |
E |
F |
G |
H |
I |
本金重量(g) |
|
|
帶耳后蓋 |
平型后蓋 |
||||||||||
|
2900S-70 |
48.8 |
67 |
57 |
17.7 |
20 |
12.3 |
26.2 |
52 |
7.6 |
150 |
141 |
|
2929S-60 |
48.8 |
70 |
57 |
17.7 |
20 |
12.3 |
26.2 |
52 |
7.6 |
146 |
137 |
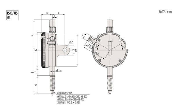
產品尺寸圖:
規格:
|
貨號 |
分度值 |
測量范圍(測量范圍/每圈行程) |
指示誤差 |
重復精度 |
表盤讀數值 |
測力 |
||||
|
帶耳后蓋 |
平型后蓋 |
全量程 |
返回 |
1/10圈行程 |
1圈行程 |
|||||
|
2929S-60 |
2929SB-60 |
0.01mm |
0.8mm(1mm) |
8μm |
3μm |
5μm |
-1 |
3μm |
40-0-40 |
2.0N以下 |
|
2900S-70 |
2900SB-70 |
0.001mm |
0.08mm(0.1mm) |
3μm |
2μm |
2μm |
-1 |
0.5μm |
40-0-40 |
2.0N以下 |
松本機電提供選型服務,1000多種產品型號,可根據客戶機械設備量身定制主軸及工量具專屬 解決方案。
松本機電擁有完整服務鏈,自主團隊可上門為您安裝調試,并且隨時提供電話支持及現場解答。
松本機電自有技術維修團隊,可提供上門維修服務,維修速度快,為您節省3倍的維修時間,讓您售后無憂。
松本機電選用NAKANISHI品牌,10年專注主軸、工量具領域,品牌授權,原廠證明、報關清單、原產地證明,三證齊全,原裝正品保障。
松本機電通過持續不斷的國際技術交流,層層攻克技術難題,自有工程師團隊,具備設計及開發能力和自動化整合的技術。