
日本強力圓型鐵板分離器KF-HC0813,調節內磁鐵的位置可以改變磁力的大小,外形小但磁力強大。用來分離沒有直線受力面的鋼板。
圓型鐵板分離器KF-HC0813
鐵板分離器KF-HC0813
日本強力圓型鐵板分離器
產品特點:
1.調節內磁鐵的位置可以改變磁力的大小;
2.外形小但磁力強大。
產品應用:
用來分離沒有直線受力面的鋼板。
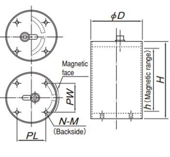
產品規格:
|
型號 |
尺寸 |
塊 |
||||||
|
D |
H |
h |
PL |
PW |
N |
M |
||
|
KF-HC0813 |
76.3 |
130 |
100 |
- |
60 |
2 |
M8深10 |
2kg/4.4lb |
|
KF-HC1218 |
114.3 |
175 |
140 |
65 |
65 |
4 |
M8深12 |
7kg/15.4b |
|
KF-HC1424 |
139.8 |
235 |
195 |
80 |
80 |
M10深15 |
14kg/30.8lb |
|
產品尺寸圖:
使用案例:
松本機電提供選型服務,1000多種產品型號,可根據客戶機械設備量身定制主軸及工量具專屬 解決方案。
松本機電擁有完整服務鏈,自主團隊可上門為您安裝調試,并且隨時提供電話支持及現場解答。
松本機電自有技術維修團隊,可提供上門維修服務,維修速度快,為您節省3倍的維修時間,讓您售后無憂。
松本機電選用NAKANISHI品牌,10年專注主軸、工量具領域,品牌授權,原廠證明、報關清單、原產地證明,三證齊全,原裝正品保障。
松本機電通過持續不斷的國際技術交流,層層攻克技術難題,自有工程師團隊,具備設計及開發能力和自動化整合的技術。