


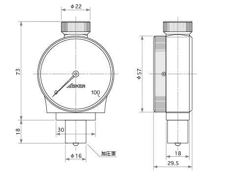
日本ASKER橡膠硬度計C1L型,應用于軟橡膠、海綿等產品的硬度測量;C1L型橡膠硬度計(邵氏),主要應用于軟質橡膠、海綿、以及其他發泡體的硬度測試,同時也應用于測試繞線、膠片、布料等產品的硬度。
177-2781-6361
日本ASKER橡膠硬度計C1L型,應用于軟橡膠、海綿等產品的硬度測量;C1L型橡膠硬度計(邵氏),主要應用于軟質橡膠、海綿、以及其他發泡體的硬度測試,同時也應用于測試繞線、膠片、布料等產品的硬度。
日本ASKER橡膠硬度計C1L型
邵氏硬度計
壓針
測針:高 2.54mm的半球形壓針
規格選擇圖
圖所示為橡膠硬度計的種類圖, 根據試樣的種類設計不同的硬度計. 符合 JIS K 6253標準的A型橡膠硬度計是最普遍最常用的一款.但是通常情況下,測量值在10點~90點之間,使用A型硬度計,A90點以上時使用D型硬度計(硬質材料使用),A20點以下時使用C型或E型硬度計(軟質材料使用)。就是說,根據試料的種類選擇合適的機型最重要。
|
符合標準 |
JIS K 7312 JIS S6050 |
|
測量刻度 |
0點 ~100 點 (262° 刻度) |
|
最小刻度 |
1 點 ( 審定精度 ±1點) |
|
押針形狀mm |
高 2.54mm直徑 φ5.08半球形 |
|
彈簧荷重mN (g) |
0 點 539 (55) 100 點 8379( 855) |
|
加壓面中心孔 mm |
Φ5.5 |
|
加壓面尺寸 mm |
44×18 (長方形) |
|
外形尺寸 mm |
約 寬57× 厚 30× 高94 |
|
重量g |
200 |
|
用途 |
軟橡膠、聚氨酯泡沫塑料、海綿、繞線、膠片 、瓷土 、鞋料 |
松本機電提供選型服務,1000多種產品型號,可根據客戶機械設備量身定制主軸及工量具專屬 解決方案。
松本機電擁有完整服務鏈,自主團隊可上門為您安裝調試,并且隨時提供電話支持及現場解答。
松本機電自有技術維修團隊,可提供上門維修服務,維修速度快,為您節省3倍的維修時間,讓您售后無憂。
松本機電選用NAKANISHI品牌,10年專注主軸、工量具領域,品牌授權,原廠證明、報關清單、原產地證明,三證齊全,原裝正品保障。
松本機電通過持續不斷的國際技術交流,層層攻克技術難題,自有工程師團隊,具備設計及開發能力和自動化整合的技術。