
德國Mikrometry高精度數字高度計DHG-050Plus,高精度≤1um,高分辨率0.1μm,測量范圍0-50mm,用于高度、深度、厚度、平面度測量,及臺階、深孔測量。8位高亮LED數字顯示裝置,帶有線數據輸出功能,可任意位置歸零,可更換測頭,可選大理石平臺。
177-2781-6361
德國Mikrometry高精度數字高度計DHG-050Plus,高精度≤1um,高分辨率0.1μm,測量范圍0-50mm,用于高度、深度、厚度、平面度測量,及臺階、深孔測量。8位高亮LED數字顯示裝置,帶有線數據輸出功能,可任意位置歸零,可更換測頭,可選大理石平臺。
DHG-050Plus數字高度計
高精度數字高度計
德國Mikrometry高精度數字高度計
產品特點:
1.高精度≤1um,高分辨率0.1μm
2.高度、深度、厚度、平面度測量
3.臺階、深孔測量
4.任意位置歸零
5.可更換測頭
6.8位高亮LED數字顯示裝置
7.有線數據輸出
8.可選配移動電源
9.高精度大理石平臺
產品規格:
|
型號 |
DHG-050Plus |
DHG-100Plus |
|
測量范圍 |
0-50mm |
0- 100mm |
|
精度(20°C) |
≤1μm |
≤3μm |
|
最小讀數 |
0.1μm、1μm可切換 |
|
|
測量速度 |
最大5000mm/s |
|
|
測量力 |
1.0~1.5N |
|
|
外部輸出 |
數據接口、USB |
|
|
顯示器 |
8位綠色高亮度LED顯示 |
|
|
測頭 |
球形、平面、針形測頭 |
|
|
單位 |
mm、inch可一鍵轉換 |
|
|
工作環境 |
溫度:0~40℃濕度:20~80% |
|
|
測量工作面 |
400mmx300mm大理石 |
|
|
電源適配器 |
輸入:AC100~240V 50/60Hz 輸出:DC5V/1A |
|
|
標準配件 |
大理石臺架、球形測頭、平面測頭、針式測頭 |
|
|
選配件 |
異形測頭、低測量力裝置、數據傳輸軟件、腳踏開關、移動電源 |
|
|
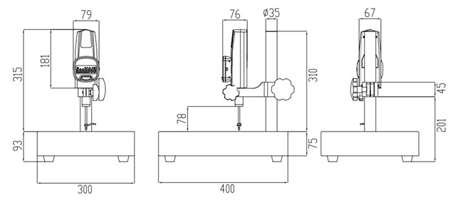
尺寸 |
400x300x387mm |
|
產品尺寸
產品應用:
1.精密零件
2.連接器
松本機電提供選型服務,1000多種產品型號,可根據客戶機械設備量身定制主軸及工量具專屬 解決方案。
松本機電擁有完整服務鏈,自主團隊可上門為您安裝調試,并且隨時提供電話支持及現場解答。
松本機電自有技術維修團隊,可提供上門維修服務,維修速度快,為您節省3倍的維修時間,讓您售后無憂。
松本機電選用NAKANISHI品牌,10年專注主軸、工量具領域,品牌授權,原廠證明、報關清單、原產地證明,三證齊全,原裝正品保障。
松本機電通過持續不斷的國際技術交流,層層攻克技術難題,自有工程師團隊,具備設計及開發能力和自動化整合的技術。