
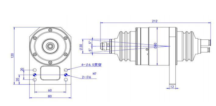
AF30浮動,可360°方向浮動5°,Z方向浮動5mm ,去毛刺過程中可吸收產品的形變量,自適應加工,有效的保護刀具,降低調試難度。可機器人夾持工具使用,也可將工具固定,機器人夾持工件進行去毛刺作業。搭配日本NAKANISHI高速主軸進行柔性去毛刺。
177-2781-6361
AF30浮動,可360°方向浮動5°,Z方向浮動5mm ,去毛刺過程中可吸收產品的形變量,自適應加工,有效的保護刀具,降低調試難度。可機器人夾持工具使用,也可將工具固定,機器人夾持工件進行去毛刺作業。搭配日本NAKANISHI高速主軸進行柔性去毛刺。
AF30浮動特點:
1.可360°方向浮動5°,Z方向浮動5mm ;
2.去毛刺過程中可吸收產品的形變量,自適應加工,有效的保護刀具,降低調試難度。
3.可機器人夾持工具使用,也可將工具固定,機器人夾持工件進行去毛刺作業。
可推薦耗材:
銑刀、旋轉銼、錐度銑刀、鋼絲刷、金鋼石磨頭、金鋼石磨片、切割輪。
|
型號 Model |
浮動方式Floating mode |
浮動范圍Floating range |
浮動壓力Floating pressure |
動力形式Dynamic form |
功率Power |
轉速speed |
扭矩torque |
夾頭collet |
冷卻方式cooling mode |
重量weight |
|
AF30 |
360° |
360°±5°Z向5mm |
0.05-0.5Mpa |
氣動/電動 |
130w |
19000 |
0.25N·m |
0.5-6.0 |
氣冷 |
2.3Kg |
松本機電提供選型服務,1000多種產品型號,可根據客戶機械設備量身定制主軸及工量具專屬 解決方案。
松本機電擁有完整服務鏈,自主團隊可上門為您安裝調試,并且隨時提供電話支持及現場解答。
松本機電自有技術維修團隊,可提供上門維修服務,維修速度快,為您節省3倍的維修時間,讓您售后無憂。
松本機電選用NAKANISHI品牌,10年專注主軸、工量具領域,品牌授權,原廠證明、報關清單、原產地證明,三證齊全,原裝正品保障。
松本機電通過持續不斷的國際技術交流,層層攻克技術難題,自有工程師團隊,具備設計及開發能力和自動化整合的技術。